Type MZ-1F リード線接続型零相変流器(ZCT)
特長
- 小型モールドタイプ零相変流器
- 小型、軽量化に最適
用途
・漏電遮断器用
・漏電検知用
・漏電リレー用
特長
・当社零相変流器で最小形状品
・最小形状でありながら貫通穴はφ5.5mmを確保
・出力がリード線タイプの為、配線の自由度が良好
・温度特性が良好
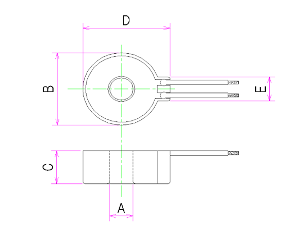
外形寸法
| 形名 | A | B | C | D | E |
|---|---|---|---|---|---|
| MZ-1F | 5.5 | 18.0 | 8.2 | 20.4 | 6.0 |
電気特性 Ta=25℃
仕様
| 形名 | MZ-1F |
|---|---|
| 周波数 f[Hz] |
50/60 |
| 出力電圧 Vo[mV] |
6.62~7.78 |
| 平衡特性 Vo"[mV] |
2.0≧ |
| 過漏電特性 τ[%] |
10≧ |
| 温度特性-10℃~80℃ tv[%] |
90~110 |
| 零相電流 Io[mA] |
12.5 |
| 負荷抵抗 R[Ω] |
680 |
| 平衡電流 IL[A] |
30 |
特性





















