HS-PHB 小容量品 / 基板実装タイプ・一次巻線付
特長
- 定格電流値 ・・・ 35A ~ 50A
- 高精度・コンパクトサイズを実現しました
- 応答性・直線性および温度特性に優れています
用途
インバータ装置、サーボドライバ、電源装置、NC工作機
電気特性 Ta=25℃
| 出力タイプ | 電圧出力タイプ | |||
|---|---|---|---|---|
| 形名 | HS-PHB35V4B15 | HS-PHB40V4B15 | HS-PHB50V4B15 | |
| 定格電流 [If] | ±35A | ±40A | ±50A | |
| 連続通電DC電流 | ±25.2A | ±28.8A | ±36A | |
| 飽和電流 [Is] | ±87.5A | ±100A | ±125A | |
| 直線性範囲 | 0~±70A | 0~±80A | 0~±100A | |
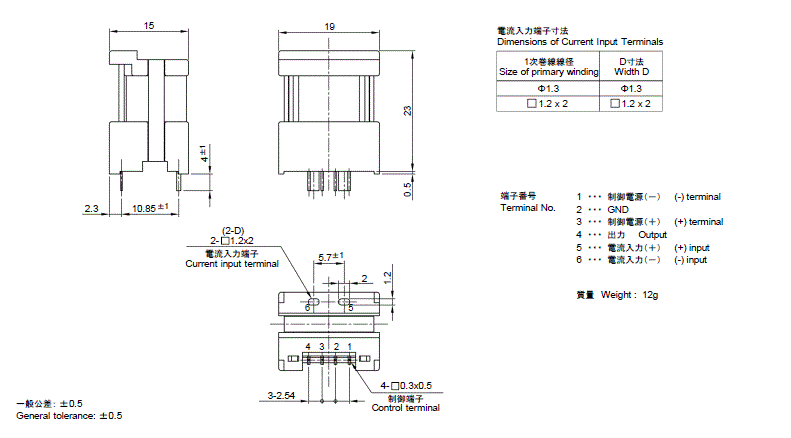
| 1次巻線線径 | Φ1.3 | □1.2 x 2 | □1.2 x 2 | |
| ターン数 | 1 | 1 | 1 | |
| 定格出力 [Vh] | ±4V±1.5% (RL=10kΩ) | |||
| 残留出力 [V0] | Within ±30mV | |||
| 直線性 | Within ±0.5% | |||
| 応答速度 | Within 3μs (at di/dt=If/μs) | |||
| 過渡特性 | Within 20% | |||
| ヒステリシス巾 | Within 50mV | |||
| 出力温度特性 | Within ±0.04%/℃ | |||
| 残留出力温度特性 | Within ±1mV/℃ | |||
| 制御電源 | ±15V±5% | |||
| 消費電流 | 20mA+(Input current x N)/1270 | |||
| 使用温度範囲 | -10℃~+80℃ | |||
| 保存温度範囲 | -15℃~+85℃ | |||
| 耐電圧 | 2500V AC 50/60Hz 1minute | |||
| 絶縁抵抗 | Not less than 500MΩ 500V DC | |||
- Note1)
- 残留出力値はコアヒステリシス除去後の値です。
- Note2)
- 飽和電流の通電時間は 1秒以内のこと。
- Note3)
- 連続通電DC電流×150%の通電時間は 1分以内のこと。
製品に関する
ご相談・お問い合わせ
電流センサ ご利用手引き
弊社製電流センサをご利用頂く際は、以下の「取り扱い上の注意」、「主な特性」、「製品表示」をご確認の上、規定の範囲内でご利用いただきますようお願いいたします。
電流センサに関するよくある質問はこちらを参照
















