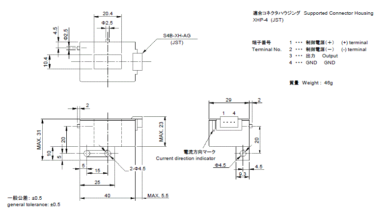
HC-TN 中容量品 / ネジ固定タイプ
特長
- 定格電流値 ・・・ 50A ~ 800A
- 単電源仕様の製作も可能です
用途
インバータ装置、サーボドライバ、電源装置、UPS、NC工作機、溶接機
電気特性 Ta=25℃
| 形名 | HC-TN 050V4B15 |
HC-TN 100V4B15 |
HC-TN 300V4B15 |
HC-TN 600V4B15 |
HC-TN 800V4B15 |
|---|---|---|---|---|---|
| 定格電流 [If] | ±50A | ±100A | ±300A | ±600A | ±800A |
| 飽和電流 [Is] | ±150A | ±300A | ±900A | ±1000A | ±1000A |
| 直線性範囲 | 0~±150A | 0~±300A | 0~±700A | 0~±900A | 0~±900A |
| 定格出力 [Vh] | ±4V±1.5%(RL=10kΩ) | ±4V±1% (RL=10kΩ) | |||
| 残留出力 [V0] | Within ±50mV | Within ±30mV | |||
| 直線性 | Within ±1% | ||||
| 応答速度 | Within 10μs (The smaller one on either at di/dt = 100A/μs or If/μs.) | ||||
| 過渡特性 | Within 10% | ||||
| ヒステリシス巾 | Within 30mV | ||||
| 出力温度特性 | Within ±0.1%/℃ | ||||
| 残留出力温度特性 | Within ±3mV/℃ | Within ±1.5mV/℃ | Within ±1mV/℃ | ||
| 制御電源 | ±15V±5% | ||||
| 消費電流 | Within 30mA | ||||
| 使用温度範囲 | -10℃~+80℃ | ||||
| 保存温度範囲 | -15℃~+85℃ | ||||
| 耐電圧 | 2500V AC 50/60Hz 1minute | ||||
| 絶縁抵抗 | Not less than 500MΩ 500V DC | ||||
- Note1)
- 残留出力値はコアヒステリシス除去後の値です。
製品に関する
ご相談・お問い合わせ
電流センサ ご利用手引き
弊社製電流センサをご利用頂く際は、以下の「取り扱い上の注意」、「主な特性」、「製品表示」をご確認の上、規定の範囲内でご利用いただきますようお願いいたします。
電流センサに関するよくある質問はこちらを参照
















