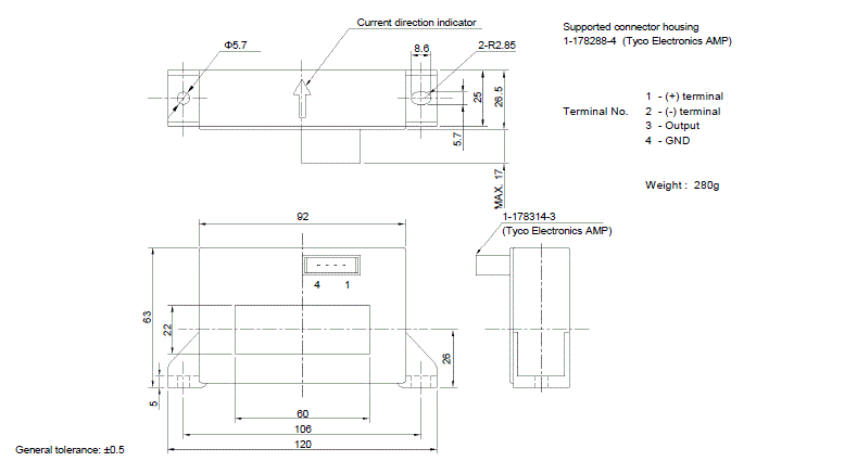
HC-MJ Large current range / Bolt on type
Features
- Rated current: 1000A–4000A
- Protection network internalized for superior surge withstand capability
Applications
High-capacity inverters (for power plants), High-capacity power supply equipment
Electrical characteristics Ta=25℃
| Type | HC-MJE10V4B15 | HC-MJE20V4B15 | HC-MJE30V4B15 | HC-MJE40V4B15 |
|---|---|---|---|---|
| Rated current [If] | ±1000A | ±2000A | ±3000A | ±4000A |
| Saturation current [Is] | ±2400A | ±2400A | ±4800A | ±4800A |
| Linearity limits | 0~±2000A | 0~±2000A | 0~±4000A | 0~±4000A |
| Rated output [Vh] | ±4V±1.5% | |||
| Residual output [V0] | Within ±30mV | |||
| Output linearity | Within ±1% | |||
| Response time | Within 10μs (at di/dt=100A/μs) | |||
| Response performance | Within 10% | |||
| Hysteresis voltage range | Within 30mV | |||
| Output Temp. Coef. | Within ±0.1%/℃ | |||
| Residual output Temp. Coef. | Within ±1.5mV/℃ | |||
| Control power supply | ±15V±5% | |||
| Consumption current | Within 50mA | |||
| Operating Temp. | -40℃~+80℃ | |||
| Storage Temp. | -40℃~+85℃ | |||
| Dielectric withstand voltage | 2500V AC 50/60Hz 1minute | |||
| Insulation resistance | Not less than 500MΩ 500V DC | |||
- Note1)
- The indicated rated output is the one when no load is applied.
- Note2)
- The indicated residual voltage is the one after the core hysteresis is removed.
Consultations and Inquiries about Our Products
Current sensor user's guide
When using our current sensors, please read the following “Handling Precautions,” “Main Characteristics,” and “Product Labeling” and use them within the specified limits.
Click here for FAQs about current sensors










