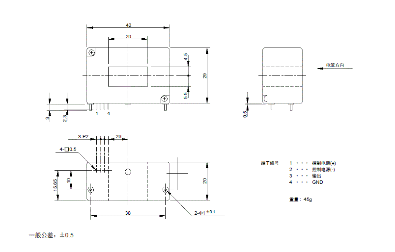
HC-PZ 中容量产品 / 基板搭载型
电气特性 Ta=25℃
| 型号 | HC-PZ050V4B15 | HC-PZ100V4B15 | HC-PZ300V4B15 | HC-PZ600V4B15 | HC-PZ800V4B15 |
|---|---|---|---|---|---|
| 额定电流 [If] | ±50A | ±100A | ±300A | ±600A | ±800A |
| 饱和电流 [Is] | ±150A | ±300A | ±900A | ±1000A | ±1000A |
| 线性范围 | 0~±150A | 0~±300A | 0~±700A | 0~±800A | 0~±800A |
| 额定输出 [Vh] | ±4V±1% | ||||
| 剩余输出 [V0] | ±50mV 以下 | ||||
| 线性度 | ±1% 以下 | ||||
| 应答速度 | 10μs 以下 (The smaller one on either at di/dt = 100A/μs or If/μs.) | ||||
| 过度特性 | 10% 以下 | ||||
| 磁滞宽度 | 200mV 以下 | ||||
| 输出温度特性 | ±0.1%/℃ 以下 | ||||
| 剩余输出温度特性 | ±4mV/℃ 以下 | ±2mV/℃ 以下 | ±1mV/℃ 以下 | ||
| 控制电源 | ±15V±5% | ||||
| 消耗电流 | 30mA 以下 | ||||
| 使用温度范围 | -10℃~+80℃ | ||||
| 保存温度范围 | -15℃~+85℃ | ||||
| 耐电压 | AC2500V 50/60Hz 1分钟 | ||||
| 绝缘电阻 | DC500V 500MΩ 以上 | ||||
- Note1)
- 额定输出值是指无负载时的值。
- Note2)
- 剩余输出值是指去除磁心磁滞后的值。
有关产品的商谈、咨询
有关电流传感器的常见问题参照这里










