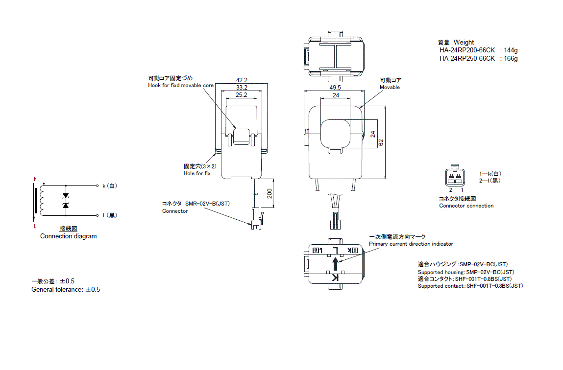
HA-24RP-CK Clamp type AC-CT
Features
- Rated primary current: 200A–250A
- suitable for energy measurement which is more less dispersion in ratio error and phase displacement
- Simple mounting for exiting panel which is clamp type
- Internal output protection circuit
Applications
Energy measurement unit
Electrical characteristics Ta=25℃
| Type | HA-24RP200-66CK | HA-24RP250-66CK |
|---|---|---|
| Rated primary current [If] | 200A | 250A |
| Measuring bound | 10~200Arms | 10~250Arms |
| Frequency | 45~65Hz | |
| Saturation current [Is] | 300A | 350A |
| Rated secondary current | 66.67mArms | |
| Ratio error | ±1% (RL=10Ω) | |
| Dispersion in phase displacement | ±40minute (0.1If~If RL=10Ω) ±45minute (0.05If RL=10Ω) |
|
| Operating Temp. | -10℃~+55℃ | |
| Storage Temp. | -20℃~+60℃ | |
| Dielectric withstand voltage | 2000V AC 1minute | |
| Insulation resistance | Not less than 100MΩ 500V DC | |
| Others | Internal output protection circuit | |
Consultations and Inquiries about Our Products
Current sensor user's guide
When using our current sensors, please read the following “Handling Precautions,” “Main Characteristics,” and “Product Labeling” and use them within the specified limits.
Click here for FAQs about current sensors










